襯氟蝶閥是由閥體為碳鋼或者不銹鋼閥體,采用聚四氟乙烯材料襯里,使得閥門在整個和介質的接觸面都是聚四氟乙烯耐腐蝕材料,完全隔斷了介質對金屬材質的閥門腐蝕,適用于溫度低于150度一下的介質使用。廣泛用于化工等腐蝕性較高的場合。
執行機構選型
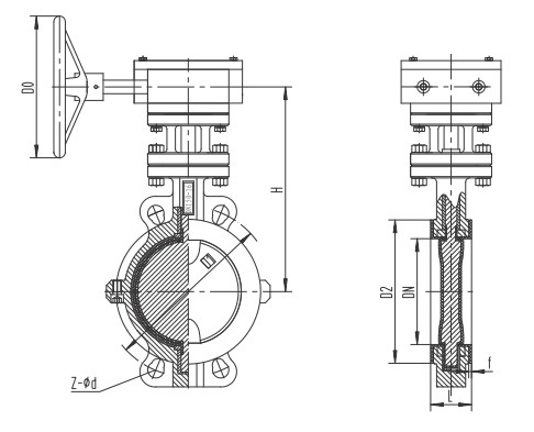
襯氟蝶閥通過支架和聯軸器和電動執行機構和氣動執行機構連接,組成,電動襯氟蝶閥(開關型和調節型控制信號4-20mA)和氣動襯氟蝶閥(開關型和調節型控制信號4-20mA)
| 序號 | 零件名稱 | 灰鑄鐵 | 鑄鋼 | 不銹耐酸鑄鋼 | 超低碳不銹耐酸鑄鋼 | ||
|---|---|---|---|---|---|---|---|
| Z | C | P | R | PL | RL | ||
| 1 | 閥體/閥蓋 | HT250 | WCB | CF8 | CF8M | CF3 | CF3M |
| 2 | 蝶板 | WCB | CF8 | CF8M | CF3 | CF3M | |
| 3 | 閥桿 | 1Cr13 | 2Cr13 | 1Cr18Ni9Ti | 1Cr18Ni12Mo2Ti | 00Cr18Ni10 | 000Cr17Ni14Mo2 |
| 4 | 襯里/閥座 | PTFE(F4),PCTEF(F3),FEP(F46),PFA(可溶F4),PP,PO | |||||
| 5 | 緊固銷 | 2Cr13 | 1Cr18Ni9Ti | 1Cr18Ni12Mo2Ti | 00Cr18Ni10 | 000Cr17Ni14Mo2 | |
| 6 | 填料 | PTFE(F4) | |||||
| 7 | 填料壓蓋 | WCB | CF8 | CF8M | CF3 | CF8 | |
| 8 | 支架 | WCB | CF8 | CF8 | |||
| 9 | 緊固螺栓 | 35 | 1Cr17Ni2 | 1Cr18Ni2 | |||
| 10 | 螺母 |
45 | 1Cr18Ni9 | 0Cr18Ni9 | |||
| 稱通經DN(mm) | 50~1600 | ||
|---|---|---|---|
| 公稱壓力PN(MPa) | 0.6 | 1.0 | 1.6 |
| 密封試驗(MPa) | 0.66 | 1.1 | 1.76 |
| 強度試驗(MPa) | 0.9 | 1.5 | 2.4 |
| 適用溫度 | 丁腈橡膠:-40℃~90℃、氟橡膠:-20℃~200℃ | ||
| 適用介質 | 水、空氣、天然氣、油品及弱腐蝕性流體 | ||
| 泄漏率 | 符合GB/T13927-92標準 | ||
| 驅動方式 | 電動 | ||
| 配置執行機構 | 可配氣動執行器、電動執行器 | ||
| 控制方式 | 開關到位燈(開關兩位控制)、智能調節(4~20mA模擬量信號控制) | ||
| 公稱通經 | L | D | D1 | D2 | f | b | Z-φd | |
|---|---|---|---|---|---|---|---|---|
| DN(mm) | NPS(inch) | PN1.0MPa | ||||||
| 40 | 3/2 | 33 | 145 | 110 | 85 | 3 | 18 | 4-φ18 |
| 50 | 2 | 43 | 160 | 125 | 100 | 3 | 20 | 4-φ18 |
| 65 | 5/2 | 46 | 180 | 145 | 120 | 3 | 20 | 4-φ18 |
| 80 | 3 | 49 | 195 | 160 | 135 | 3 | 22 | 4-φ18 |
| 100 | 4 | 56 | 215 | 180 | 155 | 3 | 22 | 8-φ16 |
| 125 | 5 | 64 | 245 | 210 | 185 | 3 | 24 | 8-φ18 |
| 150 | 6 | 70 | 280 | 240 | 210 | 3 | 24 | 8-φ23 |
| 200 | 8 | 71 | 335 | 295 | 265 | 3 | 26 | 8-φ23 |
| 250 | 10 | 76 | 390 | 350 | 320 | 3 | 28 | 12-φ23 |
| 300 | 12 | 83 | 440 | 400 | 368 | 4 | 28 | 12-φ23 |
| 350 | 14 | 92 | 500 | 460 | 428 | 4 | 30 | 16-φ23 |
| 400 | 16 | 102 | 565 | 515 | 482 | 4 | 32 | 16-φ25 |
| 450 | 18 | 114 | 615 | 565 | 532 | 4 | 32 | 20-φ25 |
| 500 | 20 | 127 | 670 | 620 | 585 | 4 | 34 | 20-φ25 |
| 600 | 24 | 154 | 780 | 725 | 685 | 5 | 36 | 20-φ30 |
| 700 | 28 | 165 | 895 | 840 | 800 | 5 | 40 | 24-φ30 |
| 800 | 32 | 190 | 1010 | 950 | 905 | 5 | 44 | 24-φ34 |
| 900 | 36 | 203 | 1110 | 1050 | 1005 | 5 | 46 | 28-φ34 |
| 1000 | 40 | 216 | 1220 | 1160 | 1115 | 5 | 50 | 28-φ34 |
| 1200 | 48 | 254 | 1450 | 1380 | 1325 | 5 | 56 | 32-φ41 |
| PN1.6MPa | ||||||||
| 40 | 3/2 | 33 | 145 | 110 | 85 | 3 | 18 | 4-φ18 |
| 50 | 2 | 43 | 160 | 125 | 100 | 3 | 20 | 4-φ18 |
| 65 | 5/2 | 46 | 180 | 145 | 120 | 3 | 20 | 4-φ18 |
| 80 | 3 | 49 | 195 | 160 | 135 | 3 | 22 | 8-φ18 |
| 100 | 4 | 56 | 215 | 180 | 155 | 3 | 24 | 8-φ18 |
| 125 | 5 | 64 | 245 | 210 | 185 | 3 | 26 | 8-φ18 |
| 150 | 6 | 70 | 280 | 240 | 210 | 3 | 28 | 8-φ23 |
| 200 | 8 | 71 | 335 | 295 | 265 | 3 | 30 | 12-φ23 |
| 250 | 10 | 76 | 405 | 355 | 320 | 3 | 32 | 12-φ25 |
| 300 | 12 | 83 | 460 | 410 | 375 | 4 | 34 | 12-φ25 |
| 350 | 14 | 92 | 520 | 470 | 435 | 4 | 38 | 16-φ25 |
| 400 | 16 | 102 | 580 | 525 | 485 | 4 | 40 | 16-φ30 |
| 450 | 18 | 114 | 640 | 585 | 545 | 4 | 44 | 20-φ30 |
| 500 | 20 | 127 | 705 | 650 | 608 | 4 | 46 | 20-φ34 |
| 600 | 24 | 154 | 840 | 770 | 718 | 5 | 54 | 20-φ41 |
| 700 | 28 | 165 | 910 | 840 | 788 | 5 | 54 | 24-φ41 |
| 800 | 32 | 190 | 1020 | 950 | 898 | 5 | 54 | 24-φ41 |
| 900 | 36 | 203 | 1120 | 1050 | 998 | 5 | 54 | 28-φ41 |
| 1000 | 40 | 216 | 1255 | 1170 | 1110 | 5 | 60 | 28-φ48 |